












Đăng nhập bằng Google
Giỏ hàng

Số lượng
Mô tả sản phẩm
Bộ Điều Khiển Nhiệt Độ TM4-RB10 TM6-RB10 TM7-RB10 PID - TOKY | Cài Đặt Bằng DIP Switch | Phạm Vi Nhiệt Độ Tùy Chỉnh
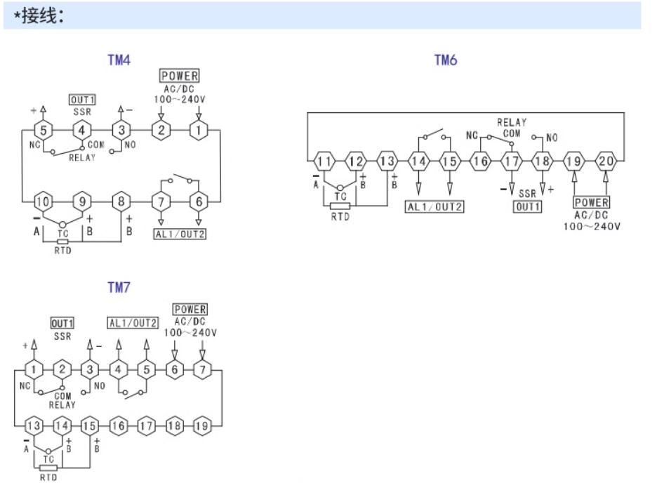
️ TM6-RB10 và các model khác trong dòng TM Series - Bộ điều khiển nhiệt độ từ thương hiệu TOKY là giải pháp lý tưởng để kiểm soát chính xác nhiệt độ trong hệ thống công nghiệp và dân dụng. Với khả năng cài đặt thông số bằng DIP switch , sản phẩm đáp ứng mọi nhu cầu giám sát và điều khiển nhiệt độ.
TM Series (Cơ bản):
Thay thế nâng cấp:
Cài đặt dễ dàng: Sử dụng DIP switch để cài đặt thông số, không cần phần mềm phức tạp.
Phạm vi nhiệt độ linh hoạt: Có thể tùy chỉnh phạm vi nhiệt độ theo yêu cầu sử dụng.
Hiển thị rõ ràng: Màn hình LED hoặc LCD sắc nét, dễ đọc ngay cả trong điều kiện ánh sáng yếu.
Ứng dụng đa dạng: Phù hợp cho hệ thống công nghiệp, dân dụng và các dự án IoT.
Chất lượng đảm bảo: Sản phẩm từ thương hiệu uy tín, độ bền cao, ổn định trong môi trường khắc nghiệt.
Công nghiệp:
Dân dụng:
DIY & Dự án cá nhân:
️ Lưu ý:
Liên hệ ngay để được hỗ trợ:
Giao hàng toàn quốc
ƯU ĐÃI ĐẶC BIỆT: Giảm giá sốc khi mua combo hoặc số lượng lớn!
#DieuKhienNhietDo #TM6RB10 #TOKY
#IoT #TheGioiTech
====================================================================================
Vận hành đơn giản, thiết kế tiết kiệm và thiết thực
Áp dụng thuật toán PID mờ thông minh và có chức năng tự điều chỉnh
Nhập trạng thái tự điều chỉnh chỉ bằng một cú nhấp chuột, tự động tính toán đến trạng thái điều khiển tối ưu
Với một hoặc hai chức năng báo động có thể cấu hình tự do
Kiểm soát nhiệt đầu ra, kiểm soát làm mát máy nén, kiểm soát làm mát-sưởi ấm Áp dụng cho kiểm soát làm mát và sưởi ấm của trục vít đùn
Cài đặt quay số trực quan hơn và dễ vận hành hơn











