Note!!!
This link is for DC24V power supply
If you need other input signal,output signal,power supply,pls contact us for a customization.
Introduction
<1>. BST-I AC current transmitter, it converts AC signals from AC transformers into standard process signals.
<2>. It is used for DCS to centrally monitor the motor,pump and heat supply network,monitor the power supply line and its current.
<3>. Standard 35mm DIN rail independent mounting. Full channel configuration,Parameter customizable.

Input Current Range
|
AC 0-20A;Customized
|
Frequency Range
|
40Hz-60Hz
|
Output Signal
|
4-20mA;0-20mA;0-10mA;0-5V;0-10V;1-5V;Customized
|
Power Supply
|
DC24V,±10%
|
Accuracy
|
0.2%F.S.
|
Respond Time
|
≤400mS(0-90%) (TYP)
|
Temperature Drift
|
0.02%F.S./℃ (-20℃~+55℃)
|
Isolation Intensity
|
2000V AC/1min(between input-ouput-power)
|
Insulation Resistance
|
≥100MΩ(between input-ouput-power)
|
Working Temperature & Humidity
|
-20℃~+55℃
|
EMC
|
Complies with GB/T 18268.1(IEC61326-1)
|
Mounting Type
|
35mm DIN rail mounting
|

Selection

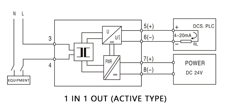
Wiring:

------------------- *****Trân trọng cảm ơn Quý khách đã Ủng hộ Thế Giới Tech***** LH: THEGIOITECH.VN THEGIOITECH.COM 0836-019-882 0941-124-900 🏪 Thế Giới Tech Automation - Technologies & Industries Chuyên cung cấp Linh kiện vật tư và Phụ kiện Ngành Kĩ Thuật Công Nghiệp, Điện Tự Động hóa, Cơ Điện Tử, Chế tạo máy Với nhiều năm kinh nghiệm làm việc với các đối tác lớn từ Nhật, Hàn, Trung, Châu âu chúng tôi tự hào mang đến sản phẩm với chất lượng tốt nhất trên số tiền Quý khách bỏ ra... 🔔 Chính sách bảo hành và đổi/trả sản phẩm. Trường hợp không may sản phẩm hoạt động lỗi, Chất lượng hàng ko đúng với giá bán hoặc cần Hỗ trợ kỹ thuật, Xin liên hệ ZL Nhân viên tư vấn CSKH (Gu gồ thegioitech) để được hỗ trợ đổi trả và bảo hành toàn quốc. Cửa hàng hỗ trợ đổi sản phẩm trong vòng 14 ngày nếu sản phẩm có lỗi từ nhà sản xuất. Sản phẩm trả phải đạt các điều kiện: - Sản phẩm chưa qua sử dụng. - Sản phẩm có lỗi do nhà sản xuất. - Sản phẩm không bị hư hao trong quá trình vận chuyển trả về do lỗi Quý Khách đóng gói sản phẩm không kỹ. 🌻Shop Thế Giới Tech - Bán vì đam mê - Giá cả phải chăng - Hỗ trợ tận tình **** Hàng hóa Vật tư khó tìm, không có sẵn VN, Chúng tôi nhận Order hàng hóa theo yêu cầu với mức giá tốt nhất! #thegioitech #ThếGiớiTech #THEGIOITECH #TGTECH